Image alt text (optional)

Кабельные трассы в пространстве фальшпола

Фальшпол – это вид поднятого над перекрытием пола, используемого в помещениях, в которых требуется развести лотки и другие инженерные сети с выходами к различному оборудованию в этом помещении или проходы к другим. 

Область применения

Типы объектов:

  • Вычислительные центры
  • Заводы и производственные помещения
  • Лаборатории
  • Административные здания
  • ЦОДы, дата-центры
  • Подстанции
  • ТЭЦ, АЭС, ГРЭС, ГЭС

Типы помещений малых и средних нагрузок:

  • Аппаратная 
  • ЩПТ
  • Контроллерная 
  • Помещение РЩ (релейного щита)
  • АСУ ТП (автоматические системы управления)
  • Помещение связи
  • Серверная
  • БЩУ(блочный щит управления) 
  • ЦЩУ (центральный щит управления)
  • «Проходные» помещения и др.

Типы помещений больших нагрузок:

  • РТП (распределительная трансформаторная подстанция)
  • Электрощитовая
  • ИБП (индивидуальный блок питания)

Oglaend System & IFs

Единая система для установки фальшпола

Несущая система из MT

Позволяет создать пространство фальшпола с соблюдением всех требований ПУЭ и закрепить оборудование а также любые инженерные сети.

Плиты покрытия Jansen/Anker

Широкое портфолио плит позволяет подобрать решение под любой запрос.

 

Узнать больше

Кабельные лотки Oglaend

Для удобной прокладки кабеля и уменьшения металлоёмкости за счет увеличения шага консолей.
 

Узнать больше

Типовые узлы сопряжения SPB-RF

Реализация поворота 90° отдельным элементом

SPB-RF-XX-90

Ответвление основной трассы отдельным элементом

SPB-RF-XX-TE

Реализация поворота 45° отдельным элементом

SPB-RF-XX-45

Смещение трассы уменьшителем

SPB-RF-XX RE

2 шт. на стык

Смещение трассы шарниром

SPB-RF-XX HH

2 шт. на поворот

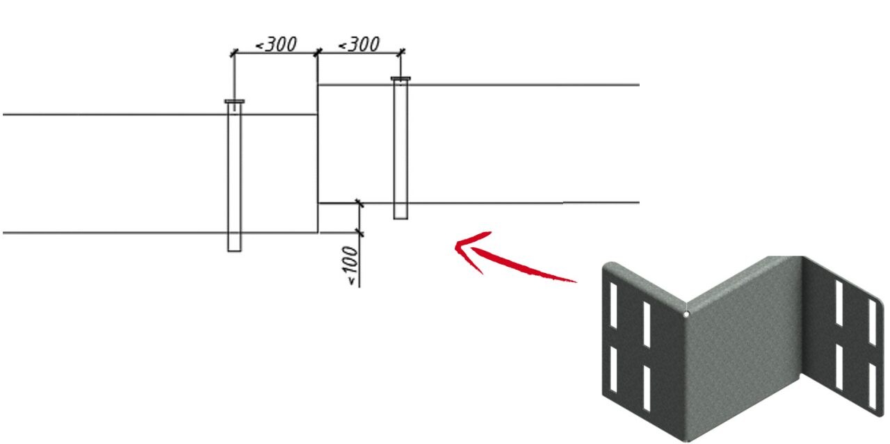
Ответвления стоящие на малом расстоянии

SPB-RF-XX HH

2шт. на стык

*В данном узле не соблюдаются радиусы изгибов кабеля 

Смещение трассы спец. элементами

SPB-RF-XX-45

Поворот шарнирами радиус 75мм.

SPB-RF-XX HH

Поворот шарнирами радиус 75мм.

SPB-RF-XX HH

Image alt text (optional)

Преимущества использования шарниров

  • Разнообразие несущих элементов позволяет использовать индивидуальные решения под ваши нагрузки, что снижает общую стоимость проекта
  • Упрощает конструкцию, за счет уменьшения числа элементов в спецификации
  • Упрощает монтаж, за счет детальной проработки проекта, учета индивидуальных особенностей, вплоть до заполнения конструкций кабелем и шеф-монатажа
  • Уменьшает стоимость проекта (см. расчёт ниже)

 

 

 

 

Высота (мм)
Средняя стоимость поворотного элемента (руб.) Стоимость узла на шарнирах (руб.) Разница (раз)
50 993,1 265,0 3,7
100 1132,5 325,7 3,5